在電源設計應用中貼片電容 有巧用,可用于濾波和退耦、旁路。濾波指濾除外來噪聲,而退耦/旁路(一種,以旁路的形式達到退耦效果,以后用“退耦”代替)來減小局部電路對外的噪聲干擾。

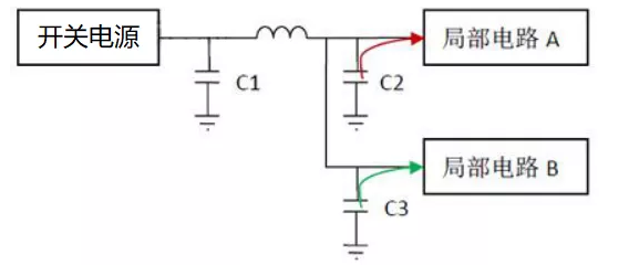
圖中開關電源為A和B供電。電流經C1 后再經過一段PCB 走線,分開兩路分別供給A 和B。出來的紋波比較大,于是我們使用C1對電源進行濾波,為A和B提供穩定的電壓。C1需要盡可能的靠近電源放置。C2和C3均為旁路電容,起退耦作用。
當A在某一瞬間需要一個很大的電流時,如果沒有C2 和C3,那么會因為線路電感的原因A端的電壓會變低,而B端電壓同樣受A端電壓影響而降低,于是局部電路A的電流變化引起了局部電路B的電源電壓,從而對B電路的信號產生影響。同樣,B的電流變化也會對A 形成干擾。這就是“共路耦合干擾”。
增加了C2后,局部電路再需要一個瞬間的大電流的時候,電容C2可以為A暫時提供電流,即使共路部分電感存在,A端電壓不會下降太多。對B的影響也會減小很多。于是通過電流旁路起到了退耦的作用。

濾波主要使用大容量電容,對速度要求不是很快;但對電容值要求較大,一般使用鋁電解電容使;浪涌電流較小的情況下,使用鉭電容代替鋁電解電容效果會更好一些。從上面的例子可知道,作為退耦的電容,要有很快的響應速度才能達到效果。如果圖中的局部電路A 是指一個芯片的話,那么退耦電容要用瓷片電容,而且電容盡可能靠近芯片的電源引腳。而如果“局部電路A”是指一個功能模塊的話,可以使用瓷片電容。
退耦電容需要滿足兩個要求,一個是容量需求,另一個是ESR需求。也就是說一個0.1uF的貼片電容退耦效果也許不如兩個0.01uF電容效果好。